欢迎访问上海允昊自动化设备有限公司官方网站
咨询服务热线:18017687080 18017273008
经验-深耕行业
工期短 / 出货快 / 款式多样 / 满足各行业定制需求
您当前所在的位置:
PT2137 小巧型压力变送器

PT2137 小巧型压力变送器

该系列工业压力变送器是一款大批量OEM的高可靠性、耐久性产品,该产品采用高精度压力芯体和精密补偿技术设计、制造,具有测量范围宽、精度高和紧凑型设计等特点,适用于对各领域的液体、气体压力进行精密测量与控制。

0.00
0.00
  
商品描述

该系列工业压力变送器是一款大批量OEM的高可靠性、耐久性产品,该产品采用高精度压力芯体和精密补偿技术设计、制造,具有测量范围宽、精度高和紧凑型设计等特点,适用于对各领域的液体、气体压力进行精密测量与控制。


PT21系列 小巧型压力变送器

产品概述

      该系列工业压力变送器是一款大批量OEM的高可靠性、耐久性产品,该产品采用高精度压力芯体和精密补偿技术设计、制造,具有测量范围宽、精度高和紧凑型设计等特点,适用于对各领域的液体、气体压力进行精密测量与控制。


产品特点

      紧凑型设计、超高性价比、宽工作温度范围、高可靠性和耐久性

应用领域

      环境工程、食品制药设备、液压与气动系统、能源及水处理系统


性能参数     

量    程

-0.1-0-60MPa(可选)

温度补偿

0-80°C

精    度

0.5%FS、1.0%FS

工作温度

-40-100°C

输    出

4-20mA、0/1-5/10V、0.5-4.5V

安全过载

150%

供    电

5VDC、24VDC、9-36VDC、

极限过载

200%

过程连接

G1/4、1/4NPT、R1/4、G1/8(可定制)

温度漂移

0.02%FS/°C

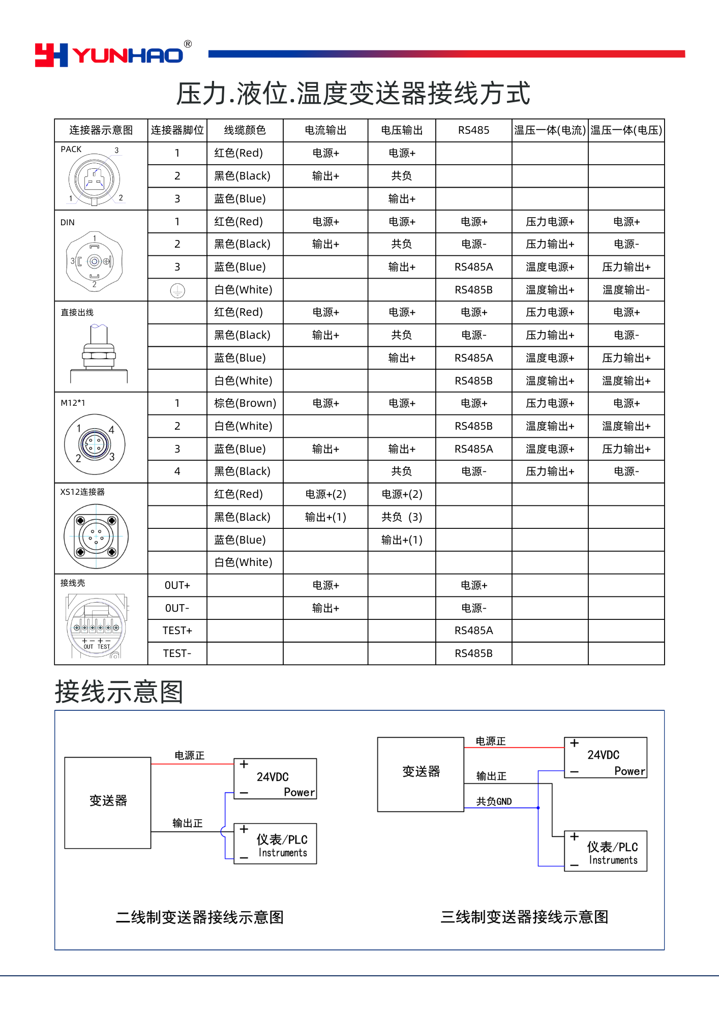
电气连接

小赫斯曼、防水出线,M12*1 

长期稳定性

0.2%FS/年

负载能力

电流型:R=(U-8V)/0.02Ω

接液材质

304、316L、陶瓷


产品系列图片   



















产品系列尺寸图     

产品中心
PRODUCTS
联系我们 →
推荐产品
  • PT2137 小巧型压力变送器
  • PT2651 差压变送器
  • PT2451 隔膜卫生型压力变送器
  • TS4320 温度变送器(航空插件电气连接)
  • LS6255F 卡箍50.5mm 阻抗谱开关
  • TS4330 温度传感器
  • PT2051 微型压力变送器
  • PT2031 微型压力变送器
  • PT8698防爆压差表
  • PT2351 通用型压力变送器-G1/4
  • PT23系列 防腐型压力变送器
  • TT4350 温度变送器φ19(卡箍安装)
  • TT4380 温度变送器(带卡箍)
  • TT4330 温度变送器(防水出线电气连接)
  • PT23 通用型压力变送器
  • PT23 通用型压力变送器
  • PT2357 超高压压力变送器(3/4-16UNF)
  • PT2337 超高压压力变送器
  • PT23 防腐型压力变送器(PTFE)
  • PT23 防腐型压力变送器(PEEK)